top of page


1. Design of oil terminal, capacity 43,000 m3
2. Design of biodiesel reactor, capacity 20 m3


3. Design of biodiesel plant, capacity 8,000 m3/hr
4. Design of oil terminal, capacity 3,200 m3


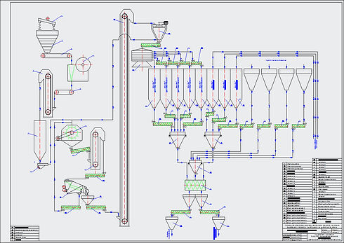
5. Design of mortar plant, capacity 48,000 m3/year
6. Design of MEG full distillation unit, capacity 36,000 ton/yr


7. Design of chrome enrichment plant,70,000 ton/year
8. Design of secondary lead smelting plant, capacity 12,000 m3/year


9. Design of liquefied petroleum gas plant (LPG), capacity 600 m3
10. Design of oil tank, capacity 16,000 m3


11. Design review of water distribution supply system
12. Design review of HVAC system of National Stadium of Albania


13. Design of direct heated rotary dryer, capacity 30,000 kg/hr
14. Design distillation unit, capacity 7,200 ton/yr


15. Design absorption unit, capacity 14,400,000 m3/yr
bottom of page
